解决方案

一、设备润滑的意义?

各行各业根据多年来对轴承故障原因的统计分析发现,轴承的过早失效的主要原因是由于润滑不当造成的。因此,要确保大型旋转机械设备的正常运转,必须加强设备的日常润滑维护和管理工作。实践证明:搞好设备润滑,对于密封气体、控制摩擦、降低磨损,延长设备运行周期、预防事故、降低设备零部件损耗、提高设备完好率、节约能源都是十分重要的。
目前智能润滑系统在港口运输、钢铁冶金、矿山、工程机械、发电、石油化工等领域已得到大范围推广,并为企业创造了良好的经济效益。
随着我国智能化矿山在煤矿各个领域的不断推进,在煤矿井下及选煤厂的皮带机、刮板机、破碎机、驰张筛、采煤机、振动筛、除铁器、水泵等大型设备上安装智能润滑系统,延长这些设备的运行周期、预防事故、降低设备零部件损耗、提高设备完好率,降低工人的劳动强度、减少工作人员数量等方面,取得了显著的经济效益,并逐渐得到了大家的认可。智能润滑系统在煤矿的推广和普及已经成了智能化矿山建设的一个重要组成部分,势在必行。

二、系统功能

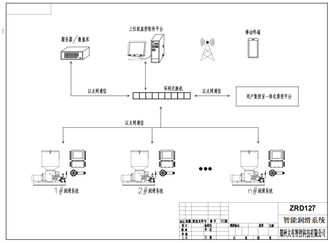
三、系统架构

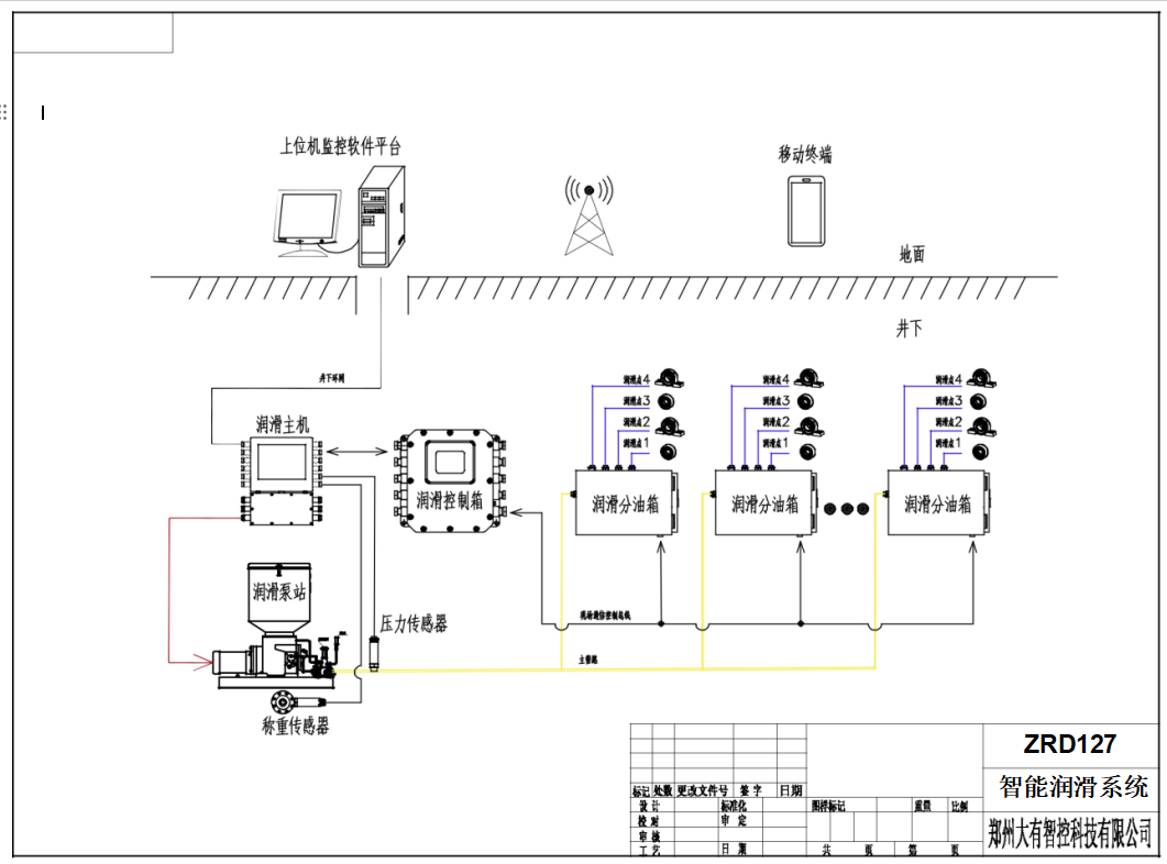
四、煤矿井下润滑解决方案

设备智能润滑管理系统将压力传感器、液位传感器、流量检测传感器等多种传感检测技术结合嵌入式应用技术、现场总线通信传输技术,网络通信技术、数据库管理技术有机结合在一起协同工作,构成了一套新型设备智能润滑管理系统。

该系统应用于井下煤炭运输胶带机、破碎机等旋转机械设备上,解决了传统润滑系统存在的注油量控制不准确,发生故障无预警,历史注油情况无记录,注油异常无风险评估等遗留难题。

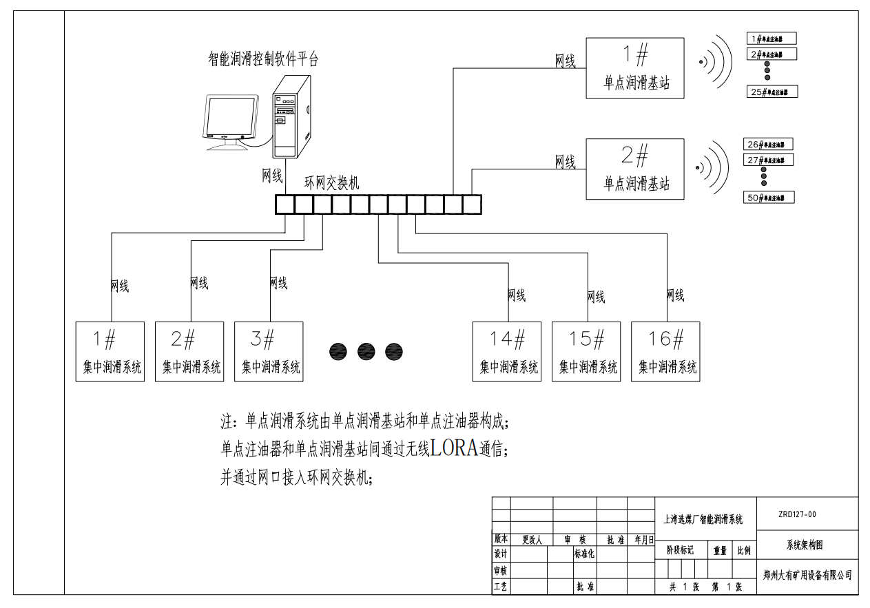
五、选煤厂润滑解决方案

针对选煤厂润滑点位多,设备集中、电机类需定期少量润滑设备多的特点,采用集中润滑系统和单点润滑系统相结合的原则,润滑点集中且润滑油量较大的区域采用集中润滑,对于润滑点分散且润滑量小(如电机等)的润滑点采用单点润滑。